Blade Flyer

Remotely Controlled Model - Page 7

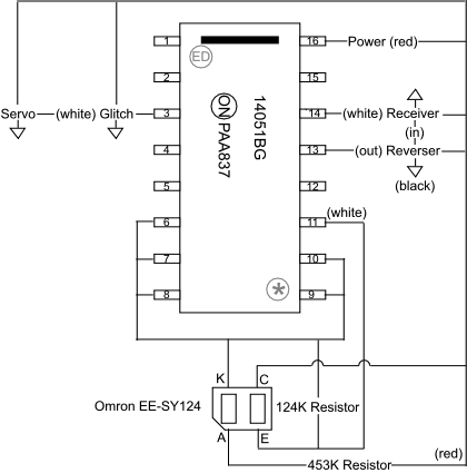
Bryan Ulch of Florite International designed a circuit to replace the commutator. A source-detector Omron EE-SY124 mounted on the servo reflecting on the axle will engage or disengage the servo reverser as a function of experiencing the axle reflector or black electrical tape absorber. The additional receivers and crystals were acquired from NitoPlanes. Bryan provided the photo detector, multiplexer and resisters.  Dionysus Design recommended a glitch reducer in addition to its server reverser.

Photodetector circuit

Physical circuit

The MUX is a surface-mount device, so connecting to it was a challenge. Drywall corner protector 0.5" clippings were used to secure the circuit board to the receiver. A double-adhesive pad secured the receiver to the blade. Double-adhesive pad secured the detector to the front of the servo. Blade A:


Blade B:


The battery packs was secured with two adhesive pads:


The transmitter is enabled. The blade receiver is enabled. The control stick is held at maximum pitch while the blade is manually rotated. The photo detector circuit works!


Top with roller slot.


Roller release.


Adjusted vane flap on both engines.


Adjusted engine flap.


Contact: Bill Holmes via email or 661-305-9465


| Home | Wind Tunnel | Model 0 | Model 1 | Model 2 | Model 3 | Model 4 | Model 5 | Model 6 | Model 7 | Model 8 | Model 9 | Model 10 | Captive |